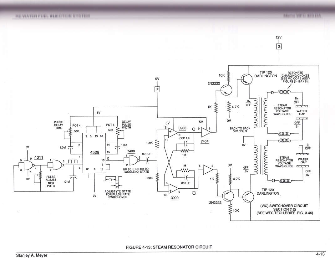
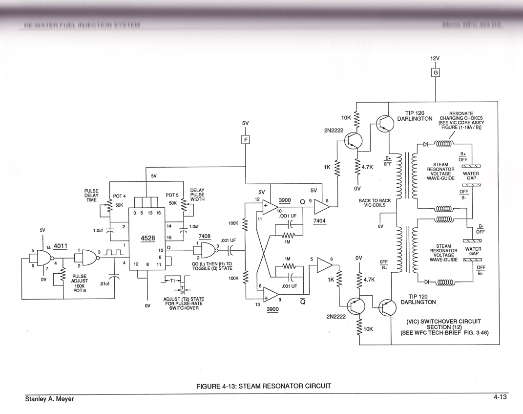
Steam Resonator (Memo WFC 423-DA)
The PCB replica is provided below. All components are through-hole (THT) in this revision. Unfortunately, the winding ratios aren't provided in the WFC 423-DA. Experimentation will be required.
A circuit analysis document will be coming a later date.
PCB Gerber Zip File: Steam Resonator PCB Gerbers_12-31-25.zip


